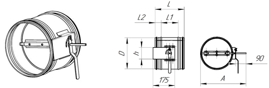
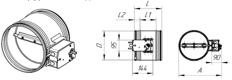
Корпус и заслонка изготавливаются из нержавеющей стали марок AISI-430, AISI-304, AISI-321. Заслонка воздушного клапана КВ (Кр) снабжена каучуковым уплотнителем, обеспечивающим плотное перекрывание канала.
Изготавливаются в двух модификациях:
- Воздушный клапан КВ (Кр) с ручным управлением и площадкой под электропривод.
- Воздушный клапан КВ (Кр-1) с электроприводом.
Преимущества
- Ассортимент марок нержавеющей стали AISI-430, AISI-304, AISI-321;
- Большой размерный ряд диаметры от Ф100 мм до Ф500 мм;
- Класс герметичности D;
- Модификация воздушных клапанов с ручным управлением;
- Модификация воздушных клапанов с электроприводом с пружинным возвратом
- Электропривод Galvent с пружинным возвратом FVG-AS-03N-230;
- Электропривод Galvent с пружинным возвратом FVG-AS-03N-230-A;
- Электропривод Dastech с пружинным возвратом AR-03N220S;
- Воздушные клапаны КВ (Кр) и Воздушные клапаны КВ (Кр-1) поставляются упакованными в индивидуальной упаковке — гофрокороб.

Корпуса воздушных клапанов изготавливаются с жестким краем и снабжены резиновым уплотнителем. Жесткий край на корпусе клапана придает дополнительную жесткость конструкции, а резиновый уплотнитель исключает утечки воздуха, что в комплексе облегчает время монтажа вентиляционной системы.
КВ (Кр)

КВ (Кр-1)

Основные размеры для Воздушный клапан КВ (Кр) и Воздушный клапан КВ (Кр-1)

Для монтажа потребуются расходные материалы
Заказ можно оплатить наличными в нашем офисе. Касса работает с 9.00 до 18.00. После оплаты Вы получаете кассовый и товарный чек, содержащий номер заказа и все товарные позиции. Для удобства клиентов на первом этаже нашего здания установлен банкомат.
Безналичный расчетДля оплаты заказа по безналичному расчету Вам необходимо предоставить полные реквизиты Вашей компании менеджеру, который выставит счет и отправит его согласованным с Вами способом. Счет действителен в течение пяти календарных дней.
Заказ отпускается после зачисления средств на наш расчетный счет. Для получения товара необходимо предоставить оригинал доверенности от организации-плательщика или заверить наш экземпляр товарной накладной печатью организации-плательщика. При получении заказа Вы получите счет, накладную и счет-фактуру.
Подробнее об оплате«Фабрика Вентиляции ГалВент» осуществляет доставку заказанных изделий через собственную логистическую службу. Мы отправляем грузы по России, Белоруссии, Казахстану. Наш отдел логистики оперативно рассчитает стоимость доставки в зависимости от выбранного способа (ЖД или Авто).
Для оформления доставки достаточно передать Вашему менеджеру схему проезда с контактным телефоном встречающего лица. Для получения заказа необходимо наличие печати или доверенности у принимающей стороны. Оплату за доставку продукции можно произвести как по отдельному счету, так и в составе заказа.
Отгрузка продукции с нашего склада в Москве осуществляется одновременно несколькими бригадами с 7.00 до 20.00 ежедневно.
Подробнее о доставкеМодификации
| Название | Диаметр D, мм | L, мм | L1, мм | L2, мм | A, мм | Масса, кг | Количество | Показать фильтр | |||||||||||||||||||||||||||||||||||||||||||||||||||||||||||||||||||||||||||||||||||||||||||||||||||||||||||||||||||||||||||||||||||||||||||||||
|---|---|---|---|---|---|---|---|---|---|---|---|---|---|---|---|---|---|---|---|---|---|---|---|---|---|---|---|---|---|---|---|---|---|---|---|---|---|---|---|---|---|---|---|---|---|---|---|---|---|---|---|---|---|---|---|---|---|---|---|---|---|---|---|---|---|---|---|---|---|---|---|---|---|---|---|---|---|---|---|---|---|---|---|---|---|---|---|---|---|---|---|---|---|---|---|---|---|---|---|---|---|---|---|---|---|---|---|---|---|---|---|---|---|---|---|---|---|---|---|---|---|---|---|---|---|---|---|---|---|---|---|---|---|---|---|---|---|---|---|---|---|---|---|---|---|---|---|---|---|---|---|
|
|||||||||||||||||||||||||||||||||||||||||||||||||||||||||||||||||||||||||||||||||||||||||||||||||||||||||||||||||||||||||||||||||||||||||||||||||||||||





